Document

Technical document

  • 产品选型服务

    ‌UHF Coaxial Connectors‌ were originally developed as general-purpose units for video signal connections in radar applications, designed for low-frequency systems operating at 0.6-300MHz. Invented in the 1930s for the radio industry, "UHF" stand

  • 产品选型服务

    FAKRA connectors are housed in plastic enclosures with multiple color codes for visual identification and unique keying mechanisms to prevent mismating. These connectors support frequencies up to 6 GHz while meeting stringent automotive mechanical and env

  • 产品选型服务

    The ‌MMCX (Micro Coaxial) connector series‌ is a miniaturized version of MCX connectors. Featuring a 50Ω impedance interface with broadband capability from DC to 6 GHz, it delivers secure, rapid, and tool-free snap-on/snap-off coupling. With a 30% smaller

  • 产品选型服务

    The ‌MCX (Micro Coaxial) connector series‌ offers both 50Ω and 75Ω impedance options with broadband capability spanning DC to 6 GHz. Featuring secure, rapid, and convenient snap-on/snap-off coupling, this series—introduced in the 1980s—complies with the E

  • 产品选型服务

    Type N connectors‌ are engineered to deliver robust, weather-resistant performance for medium-power RF applications, with specialized variants supporting frequencies up to 18 GHz. STARF Type N series features a threaded coupling mechanism and maintains fu

  • 产品选型服务

    The ‌TNC connector series‌ delivers threaded weather-resistant performance in a compact form factor, featuring constant 50Ω impedance across DC to 11 GHz. While sharing contact design architecture with BNC connectors, TNC utilizes threaded coupling nuts f

  • 产品选型服务

    BNC connectors‌ feature a bayonet coupling mechanism with positive locking, enabling rapid connection/disconnection via quarter-turn mating action. These RF connectors accommodate diverse RG-series and industry-standard coaxial cables with multiple termin

  • 产品选型服务

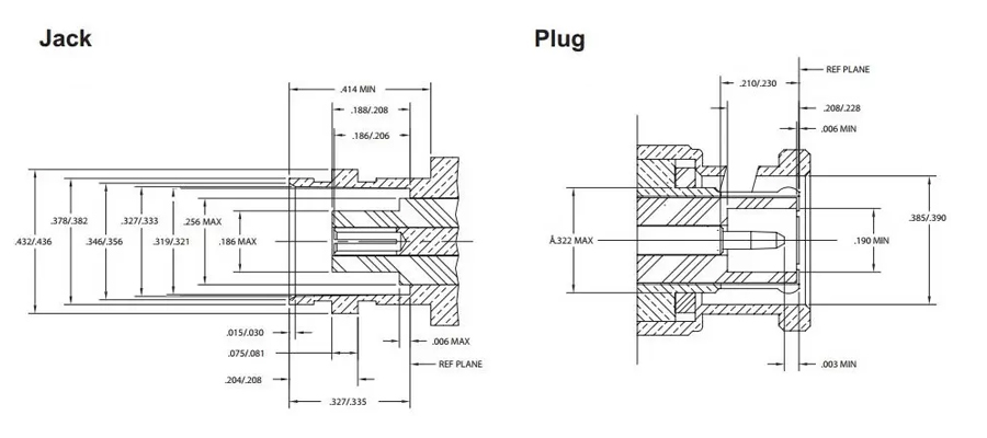
    SMB connectors‌ feature a snap-on coupling mechanism in 50Ω configurations, compliant with MIL-C-39012 and MIL-STD-348 interface standards. These connectors deliver broadband performance with low-reflection characteristics up to 4 GHz (standard), while en

  • 产品选型服务

    SMA connectors‌ utilize stainless steel or brass construction with ¼-36 threaded interfaces, delivering high performance in compact form factors. For phased-array radar, test equipment, ILS landing systems, and other phase-sensitive instrumentation, SMA i

  • 产品选型服务

    Large-scale manufacturing enterprises typically handle vast quantities of production materials, necessitating the establishment of multiple ERP-based material warehouses, robust management systems, and adherence to ERP guidelines for optimized material ma

  • 产品选型服务

    The Evolution of Wireless Connectivity: Bluetooth, NFC, and Infrared ‌1. Bluetooth: From Essential Tool to Niche Resurgence 2. NFC: Secure Short-Range Communication

  • 产品选型服务

    The Cognitive Era: IoT-Driven Transformation of Communication Networks ‌1. Industry Evolution & IoT Imperative Following mechanization, electrification, and informatization, global communications have entered the Cognitive Era. Professor Xu Youyun e

  • 产品选型服务

    TNC Connector: Multi-Industry Applications GNSS antenna is mainly used as a transmitting antenna in the same frequency forwarding system. The antenna consists of an antenna cover, microstrip radiator, base plate, and high-frequency output socket, and is

  • 产品选型服务

    What is a GNSS Antenna?‌ A GNSS antenna is a ‌multi-system compatible antenna‌ supporting GPS/GLONASS/Galileo/BeiDou constellations. Its primary functions include: ● ‌Transmitting antenna‌ for same-frequency repeater systems ‌● Receiving antenna‌ for n

  • 产品选型服务

    When discussing traditional surveying work, many envision surveyors trekking over mountains with heavy equipment, braving the elements day and night. Today, drones are revolutionizing surveying practices with their speed, flexibility, and cost-effectiven

  • 产品选型服务

    Attenuation (Insertion Loss):‌ Attenuation refers to the energy lost during transmission. It is typically measured in "dB per unit length" (e.g., 31.0 dB/100 ft). Attenuation increases with frequency. ‌Bend Radius:‌ The minimum radius a cable

  • 产品选型服务

    What is a coaxial cable? A coaxial cable is an electrical cable featuring two concentric conductors: a central conductor and an outer conductor, separated by a dielectric insulating layer.

  • 产品选型服务

    ‌Shortwave Antenna Types and Selection Shortwave radio finds extensive applications in communication systems, with antennas serving as critical components of diverse types. This article provides a concise analysis of shortwave antenna types and selection